Проволочные эталоны чувствительности по ГОСТ 7512-82
Тип оборудования: эталоны для определения чувствительности при проведении рентгеновского контроля
Производитель: А3 Инжиниринг, Россия
Серия: ПЭЧ-А3
Модель: ПЭЧ-А3
Описание: позволяет определять чувствительность при радиографическом контроля сварных швов
Комплект проволочных эталонов №11,12,13,14 предназначен для определения чувствительности при проведении рентгеновского контроля в соответствии ГОСТ 7512-82.
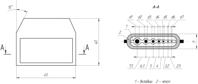
Эталоны чувствительности изготавливаются из металла, основа которого по химическому составу аналогична основе контролируемого сварного соединения. Форма и размеры проволочных эталонов чувствительности приведены ниже. Длина проволок в эталонах - (20 ± 0,5) мм.
Эталоны могут быть изготовлены из стали, алюминия, титана, меди и др. материалов по желанию Заказчика.
Предельные отклонения для диаметров проволок:
- до (0,20 ± 0,01) мм;
- св. 0,20 до (1,60 ± 0,03) мм;
- св. 1,60 до (4,00 ± 0,04) мм.
Размеры эталонных проволочек:
| Номер эталона | Диаметр, мм | |||||||
|---|---|---|---|---|---|---|---|---|
| d1 | d2 | d3 | d4 | d5 | d6 | d7 | h | |
| 1 | 0,20 | 0,16 | 0,125 | 0,10 | 0,08 | 0,063 | 0,05 | 1,2 |
| 2 | 0,40 | 0,32 | 0,250 | 0,20 | 0,16 | 0,125 | 0,10 | 1,4 |
| 3 | 1,25 | 1,00 | 0,800 | 0,63 | 0,50 | 0,400 | 0,32 | 2,2 |
| 4 | 4,00 | 3,20 | 2,500 | 2,00 | 1,60 | 1,250 | 1,00 | 5,0 |
Комплект поставки:
- проволочный эталон №11,12,13,14 – 10шт.;
- пластиковый пенал для хранения – 1шт.;
- паспорт – 1шт.
Гарантийный срок эксплуатации – 1 год.
*Технические характеристики и комплект поставки эталонов могут быть изменены производителем без предварительного уведомления.















































